LM-3G4G-10-33DBM-12V
Preliminary
Active Limiter
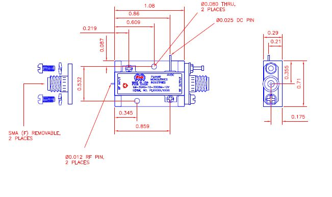
Quantic PMI Model LM-3G4G-10-33DBM-12V is an active limiter that operates over the frequency range of 3 to 4 GHz. Package size measures 1.08" x 0.71" x 0.29" and has removable SMA female connectors.
Product Specifications
| General Parameters: |
| Status: | Preliminary |
| Frequency Range (GHz): | 3 to 4 |
| Frequency Min (GHz): | 3 |
| Frequency Max (GHz): | 4 |
| Input/Output VSWR: | 2.0:1 Max |
| Maximum Input Power: | +33 dBm CW |
| Input Power: | +33 dBm CW |
| RF Leakage (dBm): | -10 Max |
| DC Supply: | +12 VDC @ 180 mA |
| Connectors In/Out: | SMA (F) removable |
| Size: | 1.08" x 0.71" x 0.29" |
| Noise Figure: | 5 dB Typ |
| Export Classification (ECCN): | EAR99 |
| Environmental Ratings: |
| Operating Temperature: | -55 °C to +85 °C |
| Non-Operating Temperature: | -55 °C to +125 °C |
| Humidity: | MIL-STD-202F, Method 103B Cond. B |
| Shock: | MIL-STD-202F, Method 213B Cond. B |
| Altitude: | MIL-STD-202F, Method 105C Cond. B |
| Temperature Cycle: | MIL-STD-202F, Method 107D Cond. A |