PLNA-2D2G2D4G-56-SFF Preliminary

Low Noise Amplifier

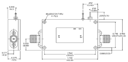
Quantic PMI Model PLNA-2D2G2D4G-56-SFF is a low noise amplifier operating over the 2.2 to 2.4 GHz frequency range that features 54 dB gain, 0.6 dB noise figure, and 13 dBm P1dB. Housing size is 1.7" x 0.95" x 0.375 with SMA female connectors.

Product Specifications

General Parameters:
Status: Preliminary
Frequency Range (GHz): 2.2 to 2.4
Frequency Min (GHz): 2.2
Frequency Max (GHz): 2.4
Gain (dB): 54 dB Min @ 25 °C
Gain Flatness (dB): ±1 dB Max
Noise Figure (dB): 0.6 dB Max
Input VSWR: 2.0:1 Max
Output VSWR: 2.0:1 Max
OP1dB (dBm): 13 dBm Min
OIP3: 20 dBm Min
Reverse Isolation: 70 dB Min
DC Voltage: +12 VDC
DC Current Draw: 300 mA Max
Spurious: -60 dBc Max
Connectors: SMA Feamle
Size: 1.7" x 0.95" x 0.375"
Finish: Painted Blue
Export Classification (ECCN): EAR99
Environmental Ratings:
Temperature (Operating): -40 °C to +85 °C
Temperature (Non-Operating): -55 °C to +125 °C
categoriesall