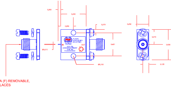
LM-9G9R5G-PIN-20W
Preliminary
Limiter
Quantic PMI Model LM-9G9R5G-PIN-20W is a limiter that operates over the frequency range of 9.0 to 9.5 GHz. This model is outfitted with pins.
Product Specifications
| General Parameters: |
| Status: | Preliminary |
| Frequency Range (GHz): | 9.3 to 9.5 |
| Frequency Min (GHz): | 9.3 |
| Frequency Max (GHz): | 9.5 |
| Insertion Loss (dB): | 2 dB |
| Input/Output VSWR: | 2.0:1 Max |
| Peak Power: | 300 W (+54.78 dBm) Max Pulse Width 1 TO 13 us Duty Cycle 6% Max |
| Input Power: | 300 W (+54.78 dBm) Max Pulse Width 1 TO 13 us Duty Cycle 6% Max |
| Spike Leakage: | 250 mW (+24 dBm) Max for 1us |
| RF Leakage (dBm): | +26 Max |
| Recovery Time: | 2.0 us Max |
| PRF: | 1400 Hz or 4000 Hz |
| Impedance: | 50 Ohms |
| Finish: | Gold Plated over Nickel |
| Export Classification (ECCN): | EAR99 |
| Environmental Ratings: |
| Operating Temperature: | 0°C to +50°C (Case Temp) |
| Non-Operating Temperature: | -40°C to +85°C |
| Vibration: | Shall operate at full specification with vibration in all three principal axes with i) Amplitude displacement of ±1 mm at a rate between 2.0 to 13.2 Hz ii) Acceleration of 7 m/s² at a rate of 13.2 to 100 Hz |
| Relative Humidity: | Up to 95% COASTAL SALINE |